- Условия эксплуатации, °C: от -60 до +100
- Марка стали: 12Х18Н10Т
Основные функции:
- накопление и хранение используемого в технологическом процессе сжатого воздуха;
- защита от коррозии и агрессивных компонентов;
- высокая стойкость к воздействию окружающей среды;
- стабилизация давления и сглаживание пульсаций воздушного потока в пневматической системе;
- обеспечение работы компрессора в оптимальном для него режиме;
- уменьшение числа перепусков компрессора;
- сбор конденсата и его отвод через пробку для слива;
- охлаждение сжатого воздуха в системе.
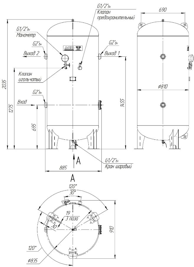
В комплектацию ресивера входят:
- Предохранительный клапан «Goetze» 1,1Мпа 810sGK-15-m-15-FKM-V1 (-60°С). Предохранительные клапаны Goetze отличаются самым высоким уровнем качества, наиболее строгим стандартам и выдающейся надежностью.
- Кран шаровой «A-Flow» VBXF-15-FG-TF (-60°С). Цельнокорпусной шаровой кран с резьбовым подсоединением A-Flow VBXA характеризуется, надёжной герметичностью, выдерживает вязкие и загрязненные среды, компактными габаритами и удобным управлением с минимальными затратами времени на поворот.
- Манометр TM-520P «Росма» (0…1,6) Мпа G1/2 (-60°С). Манометр выполнен в корпусе из нержавеющей стали и заполнен силиконом. Данный манометр предназначен для работы в условиях повышенной вибрации и при измерении переменного давления с высокими динамическими нагрузками.
- Клапан игольчатый 5КИ160 G1/2 (нар)-G1/2 (нар) с муфтой G1/2 ООО «Бирс Арматура» (-60°С). Игольчатый клапан обеспечивает высокую степень герметичности в условиях сильного холода. Это особенно важно в областях с экстремально низкими температурами, где требуется гарантированное функционирование системы в любых погодных условиях. Наличие запорного устройства перед манометром делает последующую эксплуатацию прибора удобной и надежной.
Каждый воздушный ресивер в процессе изготовления проходит полный комплекс обязательных испытаний и контроль качества. Все сварные соединения подвергаются контролю методом ультразвуковой дефектоскопии с целью выявления в них внутренних дефектов. Все ресиверы подвергается гидравлическому испытанию на прочность и плотность, пневматическому испытанию на герметичность.

















































