Ресивер РВ 900/11 имеет вертикальное исполнение, удобное в плане экономии производственной площади, которая, зачастую, является важным ресурсом.
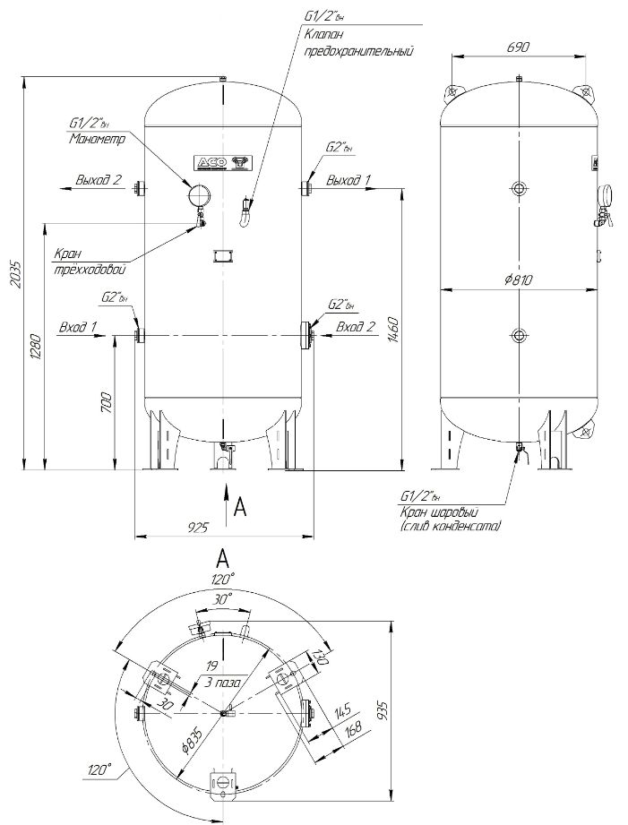
Конструкция ресивера РВ 900/11 оснащена смотровым лючком, двумя входами и двумя выходами, что является обязательным требованием российского законодательства. Для обеспечения возможности проведения технического освидетельствования, обслуживания, ремонта и контроля состояния отдельных узлов и соединений, ресивер изготавливается в строгом соответствии с ГОСТ 34347-2017.
- Условия эксплуатации, °C: от -20 до +100
- Марка стали: Ст3пс
- Наружное покрытие, полиэфирная порошковая краска: RAL 5010
Каждый воздушный ресивер в процессе изготовления проходит полный комплекс обязательных испытаний и контроль качества. Все сварные соединения подвергаются контролю методом ультразвуковой дефектоскопии с целью выявления в них внутренних дефектов. Все ресиверы подвергается гидравлическому испытанию на прочность и плотность, пневматическому испытанию на герметичность.