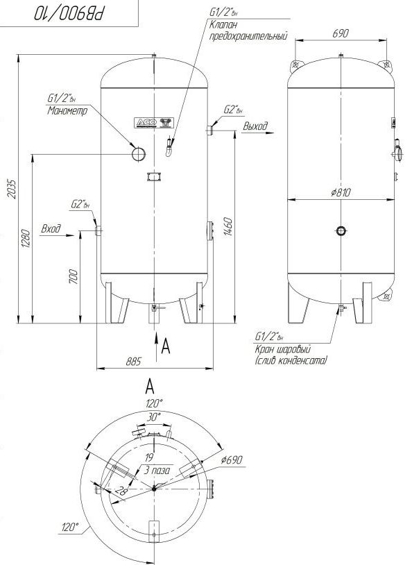
РВ 900/10 производится с применением конструкционной низколегированной стали. Новая модель оснащена одним входом и одним выходом, что является достаточным для большинства потребителей. Опоры выполнены в виде цельной конструкции, сваренной с корпусом.
Корпус воздушного ресивера РВ 900/10 оснащен смотровым лючком. Для обеспечения возможности проведения технического освидетельствования, обслуживания, ремонта, контроля состояния отдельных узлов и соединений, ресивер изготавливается в строгом соответствии с ГОСТ 34347-2017.
Ресивер поставляется в комплекте с манометром, предохранительным клапаном и паспортом сосуда, работающего под давлением.
- Условия эксплуатации, °C: от -20 до +100
- Марка стали: 09Г2С
- Наружное покрытие, полиэфирная порошковая краска: RAL 5010















































