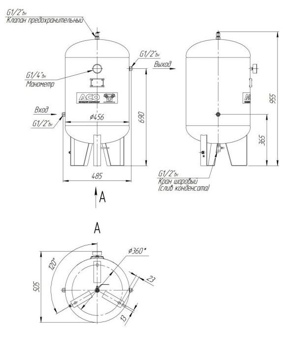
Монтаж прибора не требует специальных навыков и занимает небольшое количество времени, при этом ресивер не требует обслуживания, за исключением удаления конденсата.
- Условия эксплуатации, °C: от -20 до +100
- Марка стали: Ст3пс
Каждый воздушный ресивер в процессе изготовления проходит полный комплекс обязательных испытаний и контроль качества. Все сварные соединения подвергаются контролю методом ультразвуковой дефектоскопии с целью выявления в них внутренних дефектов. Все ресиверы подвергается гидравлическому испытанию на прочность и плотность, пневматическому испытанию на герметичность.















































